卡盘商城欢迎您!
微信公众号
扫一扫关注
收藏本站
服务热线:
13760394166
网站首页
关于我们
千岛卡盘
亿川卡盘
丽勋顶针
案例展示
产品资料
联系我们
您现在的位置:
首页
>>
亿川卡盘
>>
亿川油压缸
1949℃
收藏
分享
M 高速中空油压回转缸
品牌:
台湾亿川
动力:
油压
爪数:
亿川卡盘油压缸
型号:
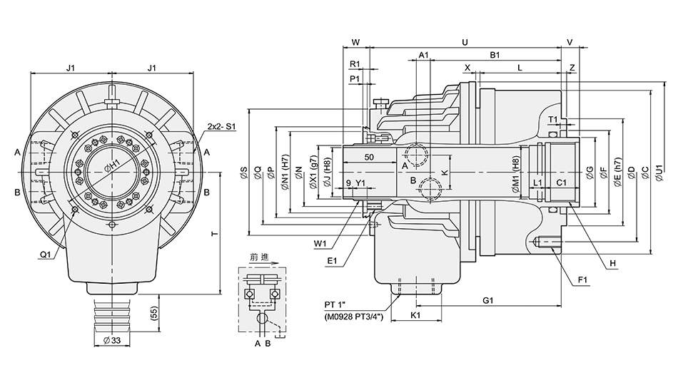
亿川油压缸 ; 高速中空迴轉油壓缸 高速中空迴轉油壓缸 小型輕量:比起傳統的製品,實現小型(MAX 95mm短縮),輕量(MAX 4.5kg減輕化),高速迴轉時的性能更穩定、更減輕機械的負擔。 更大的貫通孔:比起以往的製品約有提高20%的貫通孔,可使機械的能力充分的活用。 安全構造:藉止回閥的內藏保持推力的構造。
产品介绍
图纸下载
亿川油压缸规格图纸
亿川卡盘 M油压缸下载
亿川电子档 - 副本-22.pdf