卡盘商城欢迎您!
微信公众号
扫一扫关注
收藏本站
服务热线:
13760394166
网站首页
关于我们
千岛卡盘
亿川卡盘
丽勋顶针
案例展示
产品资料
联系我们
您现在的位置:
首页
>>
亿川卡盘
>>
亿川油压缸
1949℃
收藏
分享
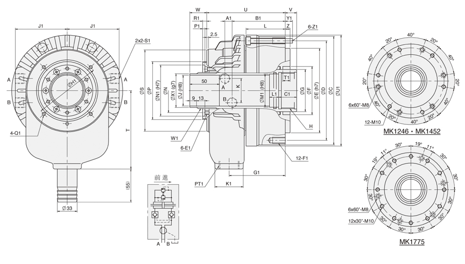
MK 超高速薄型中空迴轉油壓缸
品牌:
台湾亿川
动力:
油压
爪数:
MK 超高速薄型中空迴轉油壓缸
型号:
亿川油压缸, 超高速薄型中空迴轉油壓缸 超高速薄型中空迴轉油壓缸 小型輕量:長度縮短30%,高速旋轉時的性能更穩定,減輕主軸的負載。 安全構造,內附逆止閥機構,確保異常斷電時,壓力立即保持。 新型式,安裝時可由後方以螺絲固鎖定。
产品介绍
图纸下载
亿川油压回转缸图纸
亿川MK油压回转缸资料下载
亿川电子档 - 副本-22.pdf