卡盘商城欢迎您!
微信公众号
扫一扫关注
收藏本站
服务热线:
13760394166
网站首页
关于我们
千岛卡盘
亿川卡盘
丽勋顶针
案例展示
产品资料
联系我们
您现在的位置:
首页
>>
亿川卡盘
>>
亿川油压缸
1949℃
收藏
分享
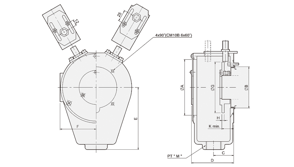
CM.B 油壓迴轉缸集水盒
品牌:
台湾亿川
动力:
油压
爪数:
CM.B 油壓迴轉缸集水盒
型号:
台湾亿川; CM.B 油壓迴轉缸集水盒 可安裝行程確認裝置及油水回收。 近接開關須另購。
产品介绍
图纸下载
亿川油压回转缸集水盒图纸
亿川油压缸集水盒资料
亿川电子档 - 副本-24.pdf