卡盘商城欢迎您!
微信公众号
扫一扫关注
收藏本站
服务热线:
13760394166
网站首页
关于我们
千岛卡盘
亿川卡盘
丽勋顶针
案例展示
产品资料
联系我们
您现在的位置:
首页
>>
亿川卡盘
>>
亿川油压缸
1949℃
收藏
分享
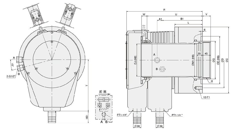
ML-CM.B 超大孔徑迴轉油壓缸
品牌:
台湾亿川
动力:
油压
爪数:
ML-CM.B 超大孔徑迴轉油壓缸
型号:
台湾亿川产品系列; ML-CM.B 超大孔徑迴轉油壓缸 超大孔徑迴轉油壓缸 適用於大孔徑油壓夾頭=使用。 使用特殊鋁合金鋼體,超輕量質設計減少主軸負荷。 內藏逆止閥機構確保推力保持。 超大通孔設計,搭配集水槽及行程檢知裝置。 無附近接開關及安裝螺絲。
产品介绍
图纸下载
台湾亿川超大孔径油压缸图纸
台湾亿川ML-CM.B 超大孔徑迴轉油壓缸资料下载
亿川电子档 - 副本-24.pdf