卡盘商城欢迎您!
微信公众号
扫一扫关注
收藏本站
服务热线:
13760394166
网站首页
关于我们
千岛卡盘
亿川卡盘
丽勋顶针
案例展示
产品资料
联系我们
您现在的位置:
首页
>>
亿川卡盘
>>
亿川油压缸
1949℃
收藏
分享
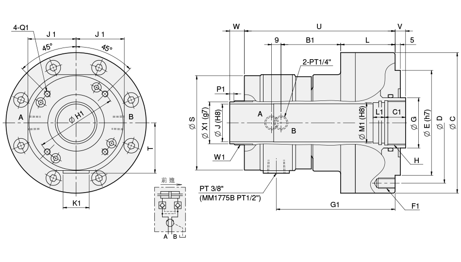
MM 高速精短型中空迴轉油壓缸
品牌:
台湾亿川
动力:
油压
爪数:
MM 高速精短型中空迴轉油壓缸
型号:
台湾亿川卡盘; MM 高速精短型中空迴轉油壓缸 高速精短型中空迴轉油壓缸 超輕薄,超短小設計,減輕主軸負載,高速旋轉時性能更穩定。 安全構造內附逆止閥機構,確保異常斷電時壓力立即保持。
产品介绍
图纸下载
台湾高速精短型中空迴轉油壓缸图纸资料
亿川卡盘资料下载
亿川电子档 - 副本-25.pdf