卡盘商城欢迎您!
微信公众号
扫一扫关注
收藏本站
服务热线:
13760394166
网站首页
关于我们
千岛卡盘
亿川卡盘
丽勋顶针
案例展示
产品资料
联系我们
您现在的位置:
首页
>>
亿川卡盘
>>
亿川油压缸
1949℃
收藏
分享
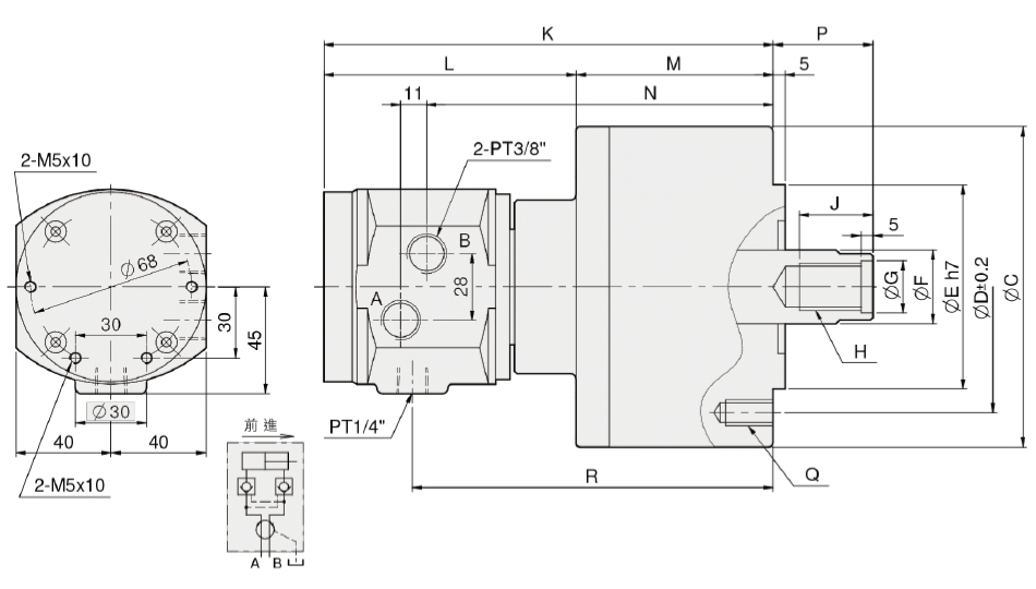
MS 中实回转油压缸(含逆止阀)
品牌:
台湾亿川卡盘油压缸
动力:
油压
爪数:
MS 中实回转油压缸(含逆止阀)
型号:
台湾亿川卡盘油压缸, MS 中實迴轉油壓缸(含逆止閥) 中實迴轉油壓缸(含逆止閥) 附逆止閥。
产品介绍
图纸下载
亿川卡盘油压缸MS图纸资料
亿川MS油压缸资料下载
亿川电子档 - 副本-25.pdf