卡盘商城欢迎您!
微信公众号
扫一扫关注
收藏本站
服务热线:
13760394166
网站首页
关于我们
千岛卡盘
亿川卡盘
丽勋顶针
案例展示
产品资料
联系我们
您现在的位置:
首页
>>
千岛卡盘
>>
千岛油压
1949℃
收藏
分享
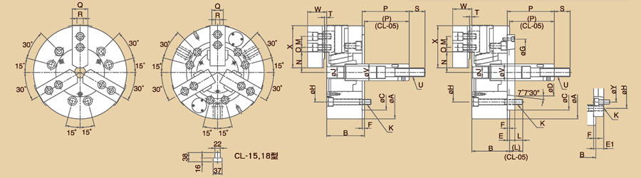
CL,CLT二爪三爪油压卡盘
品牌:
台湾千岛
动力:
油压
爪数:
三爪
型号:
台湾千岛系列:CL系列三爪中實油壓夾頭製造生產於Chandox千島精密,我們擅長各種油壓夾頭製造,我們關注提供高品質油壓夾頭產品的每一個細節。高速夾盤設計用於在CNC車床上高速旋轉,請不要錯過我們所有的高品質產品,現在就聯繫千島精密
产品介绍
图纸下载
千岛卡盘CL;CLT规格尺寸图