卡盘商城欢迎您!
微信公众号
扫一扫关注
收藏本站
服务热线:
13760394166
网站首页
关于我们
千岛卡盘
亿川卡盘
丽勋顶针
案例展示
产品资料
联系我们
您现在的位置:
首页
>>
千岛卡盘
>>
千岛油压
1949℃
收藏
分享
OP三瓜高速中空油压卡盘
品牌:
动力:
爪数:
型号:
产品介绍
图纸下载
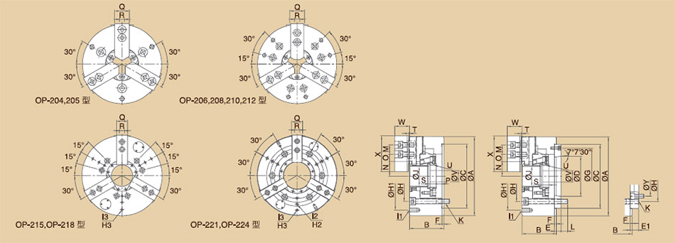
千岛OP三爪高速四空油压卡盘尺寸图