卡盘商城欢迎您!
微信公众号
扫一扫关注
收藏本站
服务热线:
13760394166
网站首页
关于我们
千岛卡盘
亿川卡盘
丽勋顶针
案例展示
产品资料
联系我们
您现在的位置:
首页
>>
千岛卡盘
>>
千岛油缸
1949℃
收藏
分享
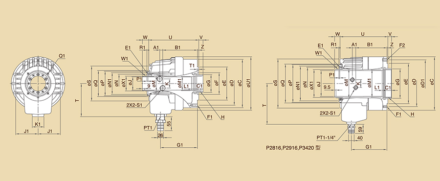
P 高速中空油压回转缸(加长行程)
品牌:
台湾千岛
动力:
油压
爪数:
油压回转器
型号:
台湾千岛系列
产品介绍
图纸下载
千岛P油压缸尺寸图纸
P_Cal.pdf