卡盘商城欢迎您!
微信公众号
扫一扫关注
收藏本站
服务热线:
13760394166
网站首页
关于我们
千岛卡盘
亿川卡盘
丽勋顶针
案例展示
产品资料
联系我们
您现在的位置:
首页
>>
亿川卡盘
>>
其它产品
1949℃
收藏
分享
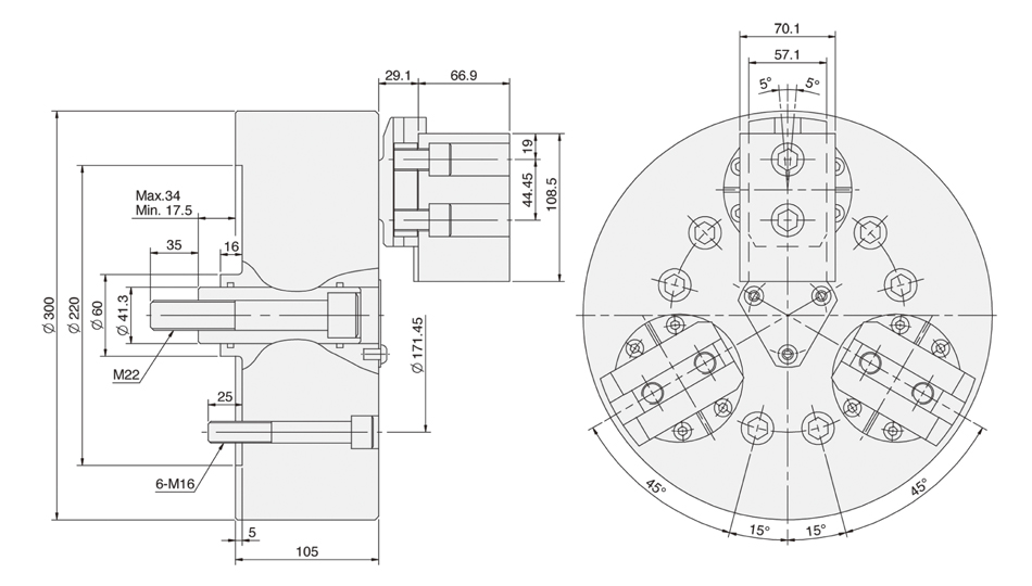
BL 三爪搖擺式夾頭
品牌:
台湾亿川
动力:
油压
爪数:
BL 三爪搖擺式夾頭
型号:
BL 三爪搖擺式夾頭 三爪搖擺式夾頭 可引入加工物並夾持,爪齒為夾持,拉近兩段動作,故可將加工物確實吸附於夾頭前面的定位器上,維持安定夾持狀態。 可做外徑夾持與內徑夾持,經由簡單操作可以靈活切換外徑夾持與內徑夾持。 可夾持推拔部品,本產品可確實夾持具有撥模斜度的鑄鍛製品的黑色表皮面,故加工物夾持部份可省略取捨加工的手續(最大可夾持到20°推拔)。 爪齒可做搖晃運動
产品介绍
图纸下载
BL三爪摇摆式卡盘尺寸图纸
亿川BL三爪摇摆式卡盘资料下载
亿川电子档 - 副本-35.pdf