卡盘商城欢迎您!
微信公众号
扫一扫关注
收藏本站
服务热线:
13760394166
网站首页
关于我们
千岛卡盘
亿川卡盘
丽勋顶针
案例展示
产品资料
联系我们
您现在的位置:
首页
>>
亿川卡盘
>>
亿川气压
1949℃
收藏
分享
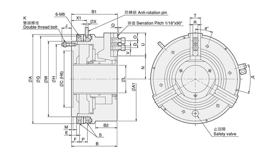
SB-SE 气压连接式卡盘夹头
品牌:
台湾亿川气压卡盘
动力:
气压
爪数:
三爪
型号:
億川压卡盘; 氣壓連接式夾頭 氣壓連接式夾頭 普遍用於車床及轉盤上 適用外徑夾持之氣壓夾頭其內含氣壓缸結構 具快速及夾持兩段式爪行程
产品介绍
图纸下载
亿川气动卡盘规格图纸
亿川压卡盘资料下载
亿川电子档 - 副本-37.pdf