卡盘商城欢迎您!
微信公众号
扫一扫关注
收藏本站
服务热线:
13760394166
网站首页
关于我们
千岛卡盘
亿川卡盘
丽勋顶针
案例展示
产品资料
联系我们
您现在的位置:
首页
>>
亿川卡盘
>>
亿川油压
1949℃
收藏
分享
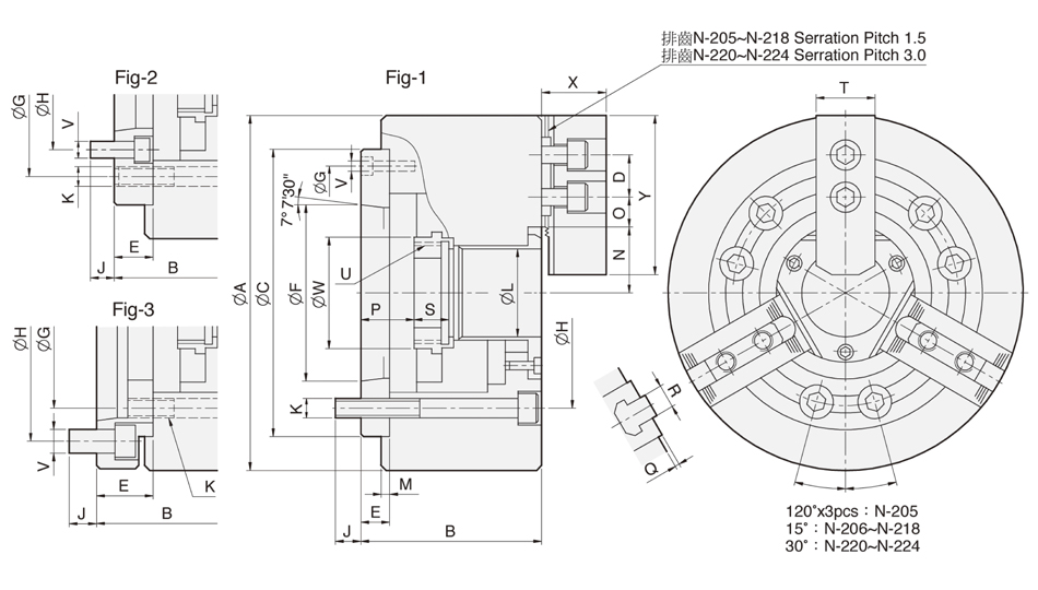
N-200A 三爪中空油压卡盘(含连接板)
品牌:
台湾亿川
动力:
油压
爪数:
三爪
型号:
台湾亿川产品长列: 三爪中空油壓夾頭(含連接板) 三爪中空油壓夾頭(含連接板) N-200A型夾頭是依 ASA B5.9 A型主軸標準而設計
产品介绍
图纸下载
N-200A 三爪中空油压卡盘(含连接板)图纸
亿川油压卡盘资料下载
亿川电子档 - 副本-12.pdf