卡盘商城欢迎您!
微信公众号
扫一扫关注
收藏本站
服务热线:
13760394166
网站首页
关于我们
千岛卡盘
亿川卡盘
丽勋顶针
案例展示
产品资料
联系我们
您现在的位置:
首页
>>
亿川卡盘
>>
亿川油压
1949℃
收藏
分享
NB-200A 三爪 超大孔中空油压卡盘(含连接板)
品牌:
台湾亿川
动力:
油压
爪数:
三爪
型号:
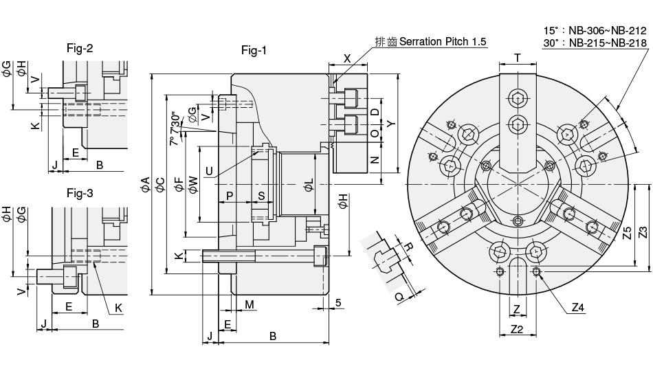
亿川三爪大孔油压卡盘; 三爪超大孔中空油壓夾頭(含連接板) 三爪超大孔中空油壓夾頭(含連接板) 超大貫通孔徑:油壓夾頭中,具最大之貫穿孔徑。 尺寸規格提高20%:比一般夾頭,具高約20%之轉速,夾持力及貫通孔徑尺寸。 NB-200A型夾頭係依 ASA B5.9 A型主軸標準而設計。 NB-200A型夾頭採用高級合金鋼材質,所有滑動面均經表面硬化及研磨處理,以提
产品介绍
图纸下载
NB-200A 三爪 超大孔中空油压卡盘(含连接板)
亿川三爪大孔油压卡盘资料下载
NB-200.pdf