卡盘商城欢迎您!
微信公众号
扫一扫关注
收藏本站
服务热线:
13760394166
网站首页
关于我们
千岛卡盘
亿川卡盘
丽勋顶针
案例展示
产品资料
联系我们
您现在的位置:
首页
>>
亿川卡盘
>>
亿川油压
1949℃
收藏
分享
NL-A 三爪长行程中空油压卡盘(含连接板)
品牌:
台湾亿川
动力:
油压
爪数:
三爪
型号:
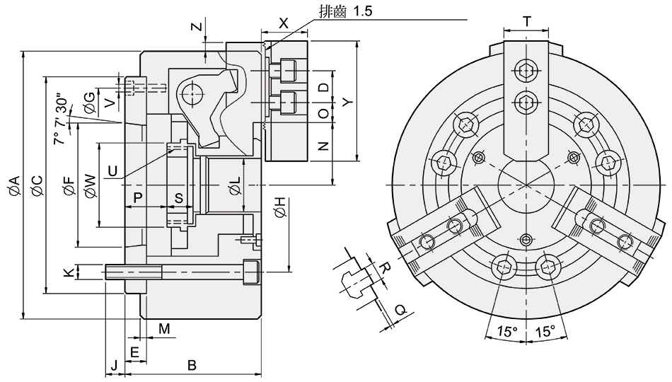
台湾亿川卡盘及产品 三爪長行程中空油壓夾頭(含連接板) 三爪長行程中空油壓夾頭(含連接板) 曲柄結構,中空型超長行程。 高強度合金鋼材質,滑動面經硬化處理及精密研磨。 可以夾持端面落差極大之工件。 安裝方式與中空N系列夾頭一樣,可直接互換。
产品介绍
图纸下载
亿川油压卡盘图纸规格
台湾亿川卡盘资料下载
亿川电子档 - 副本-34.pdf