卡盘商城欢迎您!
微信公众号
扫一扫关注
收藏本站
服务热线:
13760394166
网站首页
关于我们
千岛卡盘
亿川卡盘
丽勋顶针
案例展示
产品资料
联系我们
您现在的位置:
首页
>>
亿川卡盘
>>
亿川油压
1949℃
收藏
分享
V 亿川三爪中实油压卡盘(不含板)
品牌:
台湾亿川
动力:
油压
爪数:
三爪
型号:
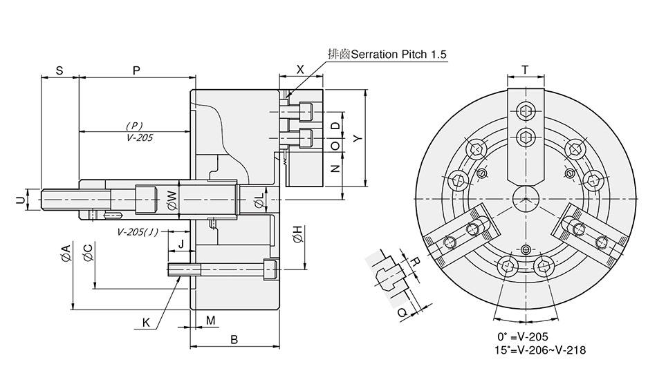
亿川卡盘; 三爪中實油壓夾頭(不含連接板) 三爪中實油壓夾頭(不含連接板) 高性能:與N系列夾頭一致之高性能。 夾頭安裝螺絲:公制或英制圓頭螺絲以締結夾頭與主軸。
产品介绍
图纸下载
亿川中实油压卡盘图纸
亿川油压中实卡盘夹头资料下载
亿川电子档 - 副本-16.pdf