卡盘商城欢迎您!
微信公众号
扫一扫关注
收藏本站
服务热线:
13760394166
网站首页
关于我们
千岛卡盘
亿川卡盘
丽勋顶针
案例展示
产品资料
联系我们
您现在的位置:
首页
>>
亿川卡盘
>>
亿川油压
1949℃
收藏
分享
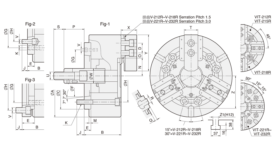
VRA 立车用中实油压夹头
品牌:
台湾亿川
动力:
油压
爪数:
三爪 四爪,
型号:
台湾亿川 立式與立臥式油壓夾頭系列 立式與立臥式油壓夾頭系列 適用於立式、銑削與鑽孔工作。 立臥式中空油壓夾頭具有貫通孔徑,可做長工件夾持,並且可做臥式加工工作。
产品介绍
图纸下载
亿川卡盘图纸参数
台湾亿川卡盘资料下载
亿川电子档 - 副本-19.pdf